
一、什么是部分行程測試(PST-Paitial Stroke Testing)
所謂ESD閥的部分行程測試(PST-Paitial Stroke Testing)是作為一種緊急切斷(ESD-Emergency Shutdown)閥的一種安全措施,在ESD閥系統中檢測故障的方法,就是讓ESD閥做周期性的部分行程動作。例如:ESD閥從全開位置部分關閉10-30%行程,按一定的時間間隔設定周期性的動作,以便更好地檢查其閥桿移動情況,判斷其功能的工作狀態是否正常。PST是一種不影響ESD閥正常運行的可靠的檢測方法。
二、PST部分行程測試在緊急切斷閥上的應用
工藝生產裝置正常運行中,ESD閥通常處于全開狀態,在PST測試中,萬一導致ESD閥誤關閉,則將使生產裝置故障停車而造成事故。因此,對于ESD閥的開度要有限制,防止ESD閥誤關閉。一般情況下,根據ESD閥的流量特性,PST測試時,ESD閥的開度多設定在70-90%(即關閉行程10%-30%),可以用很多方法實施PST,這里僅以帶氣動執行機構的ESD閥進行PST測試,介紹如何進行PST測試的具體方法。
本文介紹的氣動執行機構型PST部分行程測試,由于該系統其簡單獨特的機械系統,不含電子設備(微處理器),無需控制軟件。該氣動執行機構附加PST功能,成為整個系統的特點。
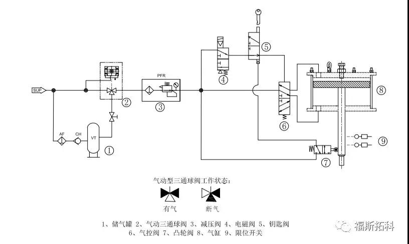
⒈ 直行程氣動執行機構型PST部分行程測試的原理介紹(見圖1.):
電磁閥長期失電,處于常通狀態,氣缸常開(有桿腔通氣);
適用于直行程緊急切斷閥,當做部分行程檢測時,擰動鑰匙閥,這時鑰匙閥換位處于排氣狀態,氣控閥換向,執行器朝關閉方向移動,當執行器移動到設定位置時,預設撞塊會碰到凸輪閥,這時凸輪閥換向,儀表氣通過凸輪閥給鑰匙閥一個氣壓信號,鑰匙閥就會恢復到初始位置保持進氣狀態,氣控閥復位,執行器快速朝打開方向移動,恢復至測試前的狀態,完成部分行程的檢測過程。本系統除了具有部分行程檢測功能外,還附加斷氣保護回路,確保在供氣故障時整個系統的安全性,其工作原理是:平時正常工作時,一路氣通過三通閥經過濾減壓閥向主回路供氣;另一路是輔助回路,通過過濾器經單向閥向儲氣罐充氣,當出現供氣故障時,氣動型三通閥(在彈簧力作用下)自動換向,改由儲氣罐供氣,完成故障停車前的工藝操作,來滿足生產的需求。
以下圖2、圖3、圖4分別為PST在直行程ESD閥上的應用實例。

圖1 直行程氣動執行機構型PST在ESD閥上應用的氣控原理圖

圖2 直行程氣動執行機構型PST在ESD閥的應用

圖3 PST應用于ESD閥的車間組裝現場

圖4 PST在某大型煉油廠ESD閥上的實際應用
⒉ 角行程氣動執行機構型PST部分行程測試的原理介紹(見圖5.):
適用于回轉型緊急切斷閥,并能夠進行部分行程檢測,氣路圖電磁閥為非勵磁狀態,閥門狀態為關閉。采用2位3通帶手動復位的電磁閥,在開啟閥門時要確認電磁閥的手動按鈕是否在復位狀態,氣控閥用于快速進氣和排氣,實現緊急切斷閥門,失電失氣閥門關閉。
當需要做部分行程檢測時,只需擰到鑰匙閥,這時鑰匙閥換位處于排氣狀態,氣控閥、執行器排氣,ESD閥逐漸關閉,當執行器運動到設定位置時,執行器轉軸的旋轉會帶動凸輪的轉動,當凸輪曲線轉到設定點時,會碰到預設位置的凸輪閥閥桿,這時使凸輪閥換向,儀表氣通過凸輪閥給鑰匙閥一個氣壓信號,鑰匙閥就會恢復到初始位置保持進氣狀態。氣缸供氣,恢復至閥門打開狀態,完成部分行程的檢測過程。為防止雨水、雜質進入鑰匙閥,可將鑰匙閥放入氣控箱,起到更好地保護作用。
圖6.是角行程氣動執行機構型PST的一體化應用實例

圖5 角行程氣動執行機構型PST在ESD閥上應用的氣控原理圖

圖6 角行程氣動執行機構型PST的一體化應用
三、ESD閥PST部分行程測試時的優缺點
⒈ESD閥部分行程測試的優點
① 部分行程測試(PST)減少了風險,較之全行程測試,降低了PFD(失效概率)值,導致SIL(高安全完整性等級)提高,增加了ESD閥的可靠性;
② 部分行程測試能夠延長全行程測試的時間間隔,但它不能取代全行程測試(FST),只是對全行程測試的一個補充;
③ 提供維修依據;
④ 由于進行了PST測試,ESD閥的旁路閥存在取消的可能性;
⑤ 減少測試成本;
⑥ 自動化部分行程測試能夠增強測試的安全性,降低由于手動測試造成的人為誤差的概率;
2.ESD閥部分行程測試的缺點
① PST測試不能檢測ESD全部故障,有些故障要靠全行程測試(FST)來解決;
② 裝置運行不正常,導致ESD閥震蕩,這種情況不適于PST測試;
③ PST測試通常只做20%的行程測試,如果情況需要增加,則測試行程也只能增加10%。
結束語
ESD閥在SIS正常運行時會固定在某一狀態而不變化,由于這種原因產生“固著”現象而導致失效,所以必須進行測試以揭露那些未被發現的危險失效,防止ESD閥在危險條件出現時不能正確執行其切斷功能(或打開功能)。部分行程檢測(PST)降低了PFDavg(平均失效概率)值,提高了安全完整性等級(SIL)并使得ESD閥動作的可靠性大幅度提高。PST延長了全行程測試的間隔時間,自動化的PST能夠增強測試的安全性,降低測試風險和測試失效的可能性。PST測試受測試周期(即檢驗測試間隔時間)測試頻率和測試條件影響,測試頻率沒有硬性規定,但ESD閥的測試頻率要比邏輯解算器高,一般情況下,由用戶決定。本文提到的部分行程測試方法因工藝等各方面原因應用于不同場合,隨著IEC61511及相關國家標準的貫徹落實,ESD閥部分行程測試必將會普及應用。
參考文獻
[1] 陽憲惠,郭海濤,安全儀表系統的功能安全. 清華大學出版社
[2] 劉建候. 功能安全技術基礎. 機械工業出版社